7790±Ø·¢¼¯ÍÅ

7790±Ø·¢¼¯ÍŶ¯Á¦
¹ÉƱ´úÂë 301236
China
China Global
  • ¼¯ÍŹÙÍø
    ¹«Ë¾ÏÈÈÝ¡¢ÐÂÎŶ¯Ì¬¡¢·þÎñÓëÐÐÒµµÈÐÅÏ¢
  • 7790±Ø·¢¼¯ÍÅÅÌËã»ú
    ÐÅ´´¹¤ÒµIT»ù´¡ÉèÊ©ÕûÌ弯»®¼°²úÆ·ÌṩÉÌ
  • ÖÇͨ¹ú¼Ê
    Éî¸û¸ßÐÔÄÜPCÊг¡Ê®ÓàÄ꣬£¬£¬£¬£¬£¬£¬ÒýÁìÐÐÒµÁ¢ÒìµÄ¹ú»õÓÎÏ·±¾Æ·ÅÆ¡ª¡ª»úе¸ïÃü
  • ºèºþÍòÁª
    רעÖÇÄÜÎïÁªÍø²Ù×÷ϵͳÑз¢ºÍ¹¤Òµ»¯·þÎñ
  • 7790±Ø·¢¼¯ÍŽÌÓý
    רעÓÚICTÈ˲ʩӦÓë×÷Óý
7790±Ø·¢¼¯ÍŶ¯Á¦

ÔÆÊÖÒÕ¸³ÄÜÖÆÔìÒµ£¬£¬£¬£¬£¬£¬£¬7790±Ø·¢¼¯ÍŶ¯Á¦Îª¹úï¹É·Ý²åÉÏÊý×Ö»¯Í¬µ³

2023.10.31

Êý×Ö»¯¡¢ÍøÂ绯¡¢ÖÇÄÜ»¯ÊÇÊý×Ö¾­¼Ãʱ´úÉú³¤µÄÖ÷ÒªÌØÕ÷¡£¡£¡£¡£¡£Óë´Ëͬʱ£¬£¬£¬£¬£¬£¬£¬ÍøÂçÇå¾²Ò²ÔÚÏòϵͳ»¯¡¢³£Ì¬»¯¡¢ÊµÕ½»¯Æ«ÏòÂõ½ø£¬£¬£¬£¬£¬£¬£¬ÆóÒµÉÏÔÆ½¨ÉèÕý´Ó²úÆ·Çý¶¯Ïò·þÎñÇý¶¯×ª±ä¡£¡£¡£¡£¡£7790±Ø·¢¼¯ÍŶ¯Á¦ÒÔÑÇÂíÑ·ÔÆ¿Æ¼¼ÆÕ±é¶øÉîÈëµÄ·þÎñÓëÊÖÒÕΪÇÐÈëµã£¬£¬£¬£¬£¬£¬£¬Îª³öº£ÆóÒµÌá¹©ÔÆÔ­ÉúÓ¦Óÿª·¢¡¢ÉÏÔÆÇ¨áã¡¢¼Ü¹¹ÓÅ»¯¡¢ÔÆÉÏÔËά¹ÜÀíµÈ·þÎñ£¬£¬£¬£¬£¬£¬£¬×ÊÖúÆä¼ÓËÙÊý×Ö»¯×ªÐÍÀú³Ì£¬£¬£¬£¬£¬£¬£¬ÊÍ·ÅӪҵDZÄÜ¡£¡£¡£¡£¡£

½­ËÕ¹úï¼õËÙ»ú¹É·ÝÓÐÏÞ¹«Ë¾£¨ÒÔϼò³Æ“¹úï¹É·Ý”£©£¬£¬£¬£¬£¬£¬£¬Î»ÓÚ½­ËÕÊ¡³£ÖÝÊУ¬£¬£¬£¬£¬£¬£¬¼ç¸º“³ÉΪÌìϼ¶´«¶¯×¨¼Ò”Ô¸¾°£¬£¬£¬£¬£¬£¬£¬¹úï¹É·Ý¾ß±¸ÐÛºñµÄÖÖÖÖ¹¤Òµ¼õËÙ»úºÍµç»úÑз¢¡¢ÖÆÔìÈ«Ì×ÊÖÒÕÁ¦Á¿¼°ÏȽø²âÊÔÊֶΣ¬£¬£¬£¬£¬£¬£¬Îª²úÆ·Ìṩϵͳ»¯µÄÕûÌåÊÖÒÕ½â¾ö¼Æ»®·þÎñ£¬£¬£¬£¬£¬£¬£¬ÊÇÖйúͨÓûúе¹¤Òµ¼õ±äËÙ»úÐÐÒµµÄ±ê¸ËÐÍ×¨ÒµÖÆÔì·þÎñÆóÒµ¡£¡£¡£¡£¡£

Ëæ×Źú¼Ò“ÖйúÖÆÔì2035”¶ÔÐÅÏ¢»¯½¨ÉèµÄÖ¸µ¼£¬£¬£¬£¬£¬£¬£¬ÒÔ¼°¹úï¹É·Ý×ÔÉíÐÅÏ¢ÊÖÒÕºÍÊý×ÖÊÖÒÕµÄÉú³¤ºÍ½á¹¹ÒªÇ󡣡£¡£¡£¡£¹«Ë¾Ïòµ¼Ìá³öÁËÒÀ¸½ÐÂÐË»¥ÁªÍøÊÖÒÕ½¨Éè¾ß±¸ÌìÏÂÏȽøË®Æ½µÄÐÅÏ¢»¯ÏµÍ³£¬£¬£¬£¬£¬£¬£¬Í¨¹ýÔÆÅÌËã½á¹¹¿ªÍØÍâÑóÊг¡£¬£¬£¬£¬£¬£¬£¬ÊµÏÖÊý×Ö»¯ÖÆÔì¡¢ÖÇÄÜÖÆÔìµÄÕ½ÂÔ¡£¡£¡£¡£¡£

7790±Ø·¢¼¯ÍŶ¯Á¦×÷ΪÖйúÁìÏȵÄÈí¼þÓëÐÅÏ¢ÊÖÒÕ·þÎñÉÌ£¬£¬£¬£¬£¬£¬£¬ÒÀ¸½ÉîÖ¿µÄÐÐÒµ»ýÀÛÒÔ¼°ºÍÁìÏȵÄÊÖÒÕʵÁ¦£¬£¬£¬£¬£¬£¬£¬Æð¾¢ÏìÓ¦ÅäºÏ¹úï¹É·ÝµÄÕ½ÂÔÄ¿µÄ¡£¡£¡£¡£¡£Óë¹úï¹É·ÝµÄÊÖÒÕ²¿·ÖͨÁ¦Ð­×÷£¬£¬£¬£¬£¬£¬£¬½«DDDÉè¼ÆÀíÄ΢·þÎñ¡¢DevopsµÈÏȽøÊÖÒÕÒýÈ룬£¬£¬£¬£¬£¬£¬¶Ô¹úï¹É·ÝÏÖÓÐÊÖÒռܹ¹¾ÙÐÐË¢ÐÂÉý¼¶£¬£¬£¬£¬£¬£¬£¬¼«´óÌáÉýÁË¿ª·¢Ð§ÂÊÓëÓ¦Óÿɿ¿¶È¡£¡£¡£¡£¡£½èÖúÑÇÂíÑ·ÔÆ¿Æ¼¼ÔÚÍâÑóµÄƽ̨×ÊÔ´ÓÅÊÆ£¬£¬£¬£¬£¬£¬£¬ÖúÁ¦×ÅʵÏÖITϵͳȫÇò»¯Í³Ò»°²ÅÅ£¬£¬£¬£¬£¬£¬£¬½µµÍÁËÆóÒµ±¾Ç®¡£¡£¡£¡£¡£Í¨¹ýÒ»Á¬¸³Äܵķ½·¨£¬£¬£¬£¬£¬£¬£¬½«¹úï¹É·ÝÔ­ÓйŰåÔËάÍŶÓÌáÉýΪÁËӪҵѸËÙÍŶÓ£¬£¬£¬£¬£¬£¬£¬Óɱ¾Ç®ÖÐÐÄÏò¼ÛÖµÖÐÐľÙÐÐÁËת±ä¡£¡£¡£¡£¡£

ÒÔÊý×ÖÊÖÒÕÖúÁ¦¹úï¹É·ÝÇý¶¯Ñз¢ÏµÍ³Àå¸ï

Õë¶Ô¹úï¹É·Ý¿ª·¢ÖÜÆÚ³¤¡¢±¾Ç®¸ß¡¢ÍŶӳÉԱȱ·¦¶ÔÐÂÊÖÒÕ¡¢ÐÂÀíÄîµÄÃ÷È·ºÍÕÆÎÕµÈÎÊÌ⣬£¬£¬£¬£¬£¬£¬7790±Ø·¢¼¯ÍŶ¯Á¦Í¨¹ýÁìÓòÆÊÎöºÍÉè¼Æ£¬£¬£¬£¬£¬£¬£¬ÀåÇåÓªÒµ¼Ü¹¹£¬£¬£¬£¬£¬£¬£¬´ÓÓªÒµµÄ½Ç¶ÈÉè¼ÆITϵͳ£¬£¬£¬£¬£¬£¬£¬Îª¹úï¹É·ÝÁ¿Éí¶¨ÖÆ»ùÓÚAWSÔÆÆ½Ì¨µÄÔÆÔ­Éú¿ª·¢¼°Î¢·þÎñ»¯¼Ü¹¹ÂäµØÊµÑ飬£¬£¬£¬£¬£¬£¬²¢ÔÚÏîÄ¿½»¸¶Àú³Ì»ùÓÚÑÇÂíÑ·ÔÆÔ­Éú¿ª·¢DDDÁìÓòÇý¶¯Éè¼ÆÍŽáÏÖʵӪҵºÏÀí»®·Ö΢·þÎñ²¢½ÓÄÉjava spring-Cloud ΢·þÎñ¼Ü¹¹¡£¡£¡£¡£¡£ÁíÍ⣬£¬£¬£¬£¬£¬£¬½ÓÄÉÑÇÂíÑ·ÔÆ Code PipelineÍŽáEKS×é¼þʵÏÖ¾µÏñµÄ×Ô¶¯»¯CI/CD,½ÓÄÉX-ray¿ÉÊÓ»¯Î¢·þÎñ¼äµÄϵͳŲÓ㬣¬£¬£¬£¬£¬£¬È۶ϵȡ£¡£¡£¡£¡£

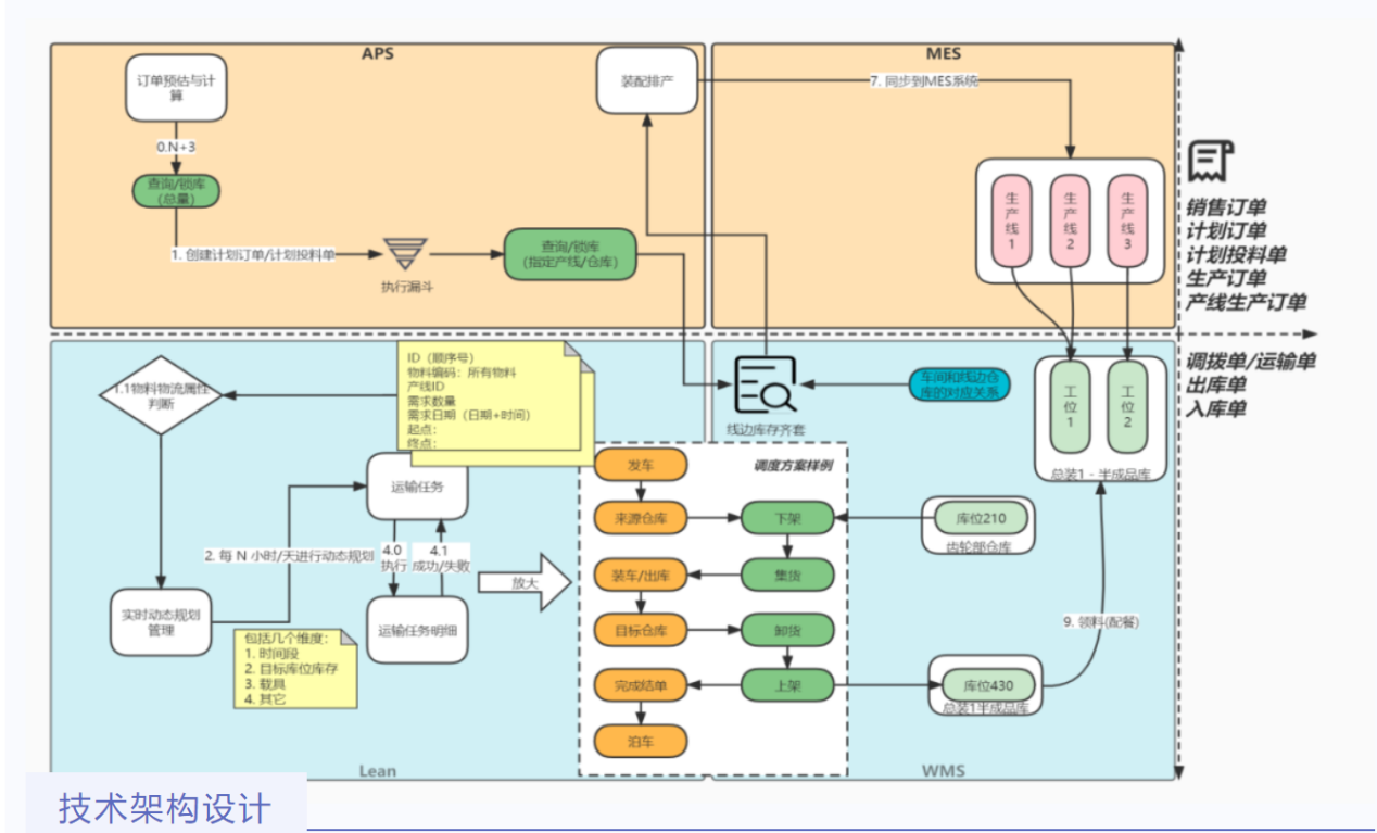
»ùÓÚ¶Ô¹úï¹É·ÝÕûÌåÏúÊÛºÍÉú²úÁ÷³ÌµÄÃ÷È·£¬£¬£¬£¬£¬£¬£¬7790±Ø·¢¼¯ÍŶ¯Á¦Õë¶Ô¹úï¹É·ÝAPSϵͳºÍWMSϵͳÉÏÏÂÓÎϵͳµÄ¾ÙÐгä·Öµ÷ÑкÍÓªÒµÊáÀí£¬£¬£¬£¬£¬£¬£¬Âòͨ´ÓÏúÊ۶˵½Éú²ú¶ËȫӪҵÁ÷³Ì£¬£¬£¬£¬£¬£¬£¬ÊµÏÖÈ«Á´Â·µÄÊý×Ö»¯Ë¢Ð£¬£¬£¬£¬£¬£¬£¬ÌáÉýÉú²úЧÂʺ;­¼ÃÐ§Òæ¡£¡£¡£¡£¡£Éè¼ÆSQSºÍSNS¾ÙÐÐÉÏÏÂÓÎϵͳµÄ½»»¥Ï¢Õùñ£¬£¬£¬£¬£¬£¬LEANϵͳ´ÓWMSÖлñÈ¡µ½ÌôËôʹÃü£¬£¬£¬£¬£¬£¬£¬¾ÙÐпìËٵľۺϺÍÌìÉúÅäË͵¥£¬£¬£¬£¬£¬£¬£¬Í¨¹ýSQS·¢ËÍÅäË͵¥¸øWMS¾ÙÐм¯»õ¡¢³ö¿â¡¢ÅäËÍ¡¢Èë¿âµÈ²Ù×÷£¬£¬£¬£¬£¬£¬£¬¿ìËÙÏìÓ¦ÏúÊÛ¶©µ¥Ê¹Ãü£¬£¬£¬£¬£¬£¬£¬ÊµÏÖÉú²úN+3µÄ¶©µ¥Ä¿µÄ¡£¡£¡£¡£¡£Öйú¡¤7790±Ø·¢¼¯ÍÅ(¹É·Ý)ÓÐÏÞ¹«Ë¾-¹Ù·½ÍøÕ¾

Öйú¡¤7790±Ø·¢¼¯ÍÅ(¹É·Ý)ÓÐÏÞ¹«Ë¾-¹Ù·½ÍøÕ¾

ÐÂÎÅ

ÍøÕ¾µØÍ¼